菜单
首页
关于我们
产品中心
定制工坊
服务承诺
新闻中心
联系方式
中文
ENGLISH
首页
关于我们
关于百康
企业愿景
企业历史
企业荣誉
合作伙伴
产品中心
汽车照明
前大灯
内部照明
氛围灯照明
高位刹车灯
日间行车灯
雾灯
尾灯
通用照明
COB镜片
反射器
街道照明
多透镜阵列
三合一镜头
单镜头
10mm 单镜头
11mm 单镜头
13mm 单镜头
15mm 单镜头
18mm 单镜头
19-20mm 单镜头
22mm 单镜头
精密注塑模具
消费产品
光电产品
定制工坊
我们能做什么
解决方案
服务承诺
可持续发展
法规政策
新闻中心
联系方式
EN
|
中文
产品搜索
产品中心
我们的产品均经过精心设计,具备卓越的光学性能,以实现精妙的照明效果。
首页
产品中心
通用照明
街道照明
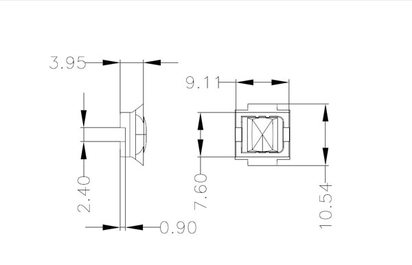
BK-LED-ST004-067-Φ10.54mm-127*62°
直径:
Φ10.54*9.43mm
高度:
4.45mm
材料:
PC
光束角度:
127.2*62°
LED类型&角度:
OSRAM W5AM
透光率:
89%
应用场景:
路灯
产品咨询
产品描述
数据绘图
信息下载
在线下单
如果您对我们有任何建议或问题,请与我们联系。
提交
关于我们
关于百康
企业愿景
企业历史
企业荣誉
合作伙伴
产品中心
汽车照明
通用照明
精密注塑模具
消费产品
光电产品
定制工坊
我们能做什么
解决方案
服务承诺
可持续发展
法规政策
新闻中心
新闻中心
联系我们
+86-755-29199996
+86-755-82033711
sales@bicomoptics.com
@2025 浙江百康光学股份有限公司
浙ICP备2021009933号-1